Servicio   Técnico    Latadía

Códigos de fallas

 

 

 

 

 

 

    Inicio

 

 Datos técnicos

 

 Solicitud de  servicios

 

 Contáctenos  

 

 

 

 

 

 

       Interruptor vitrocerámica.-                                                                             Conecciones vitrocerámica.-

                 

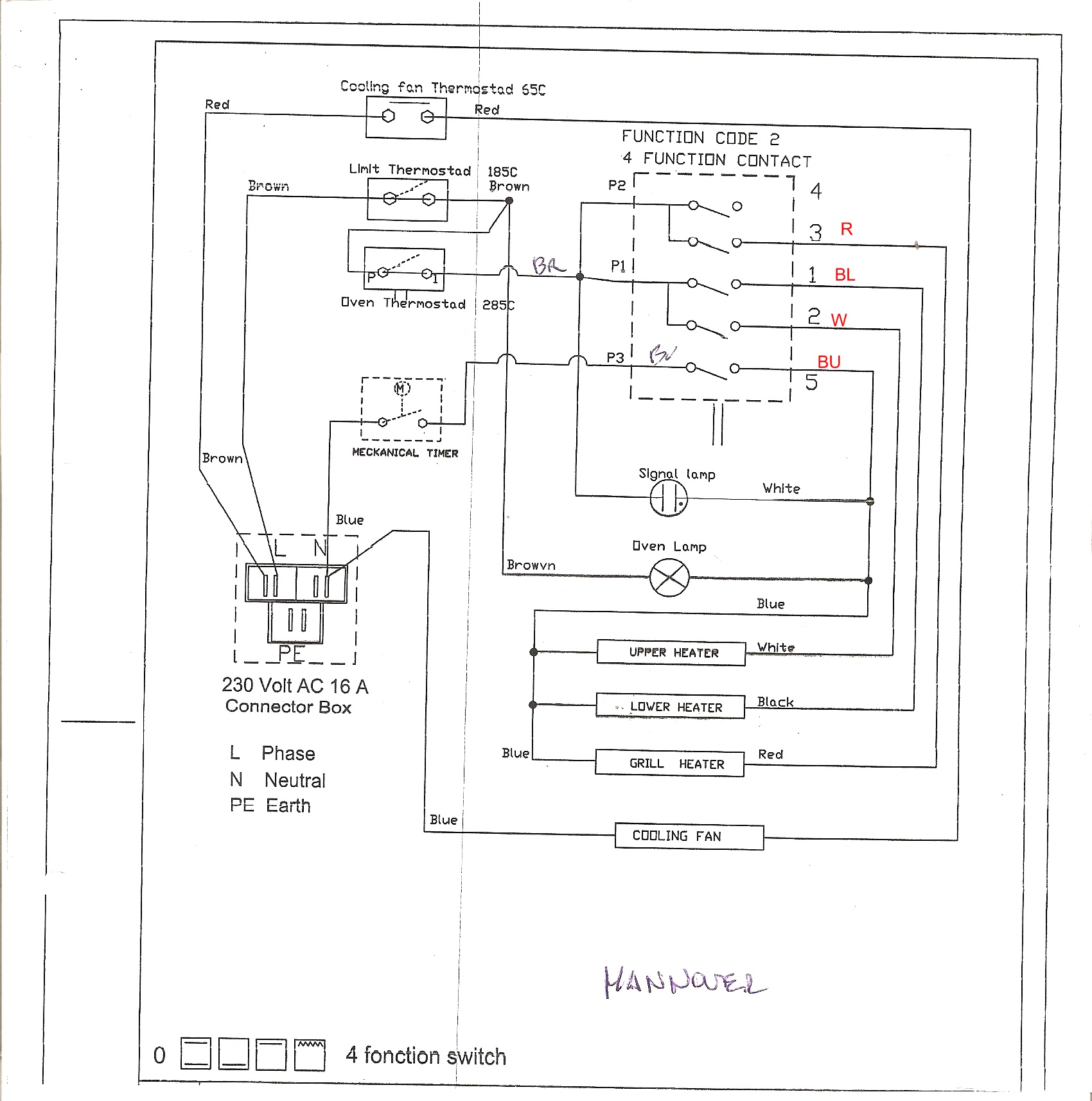
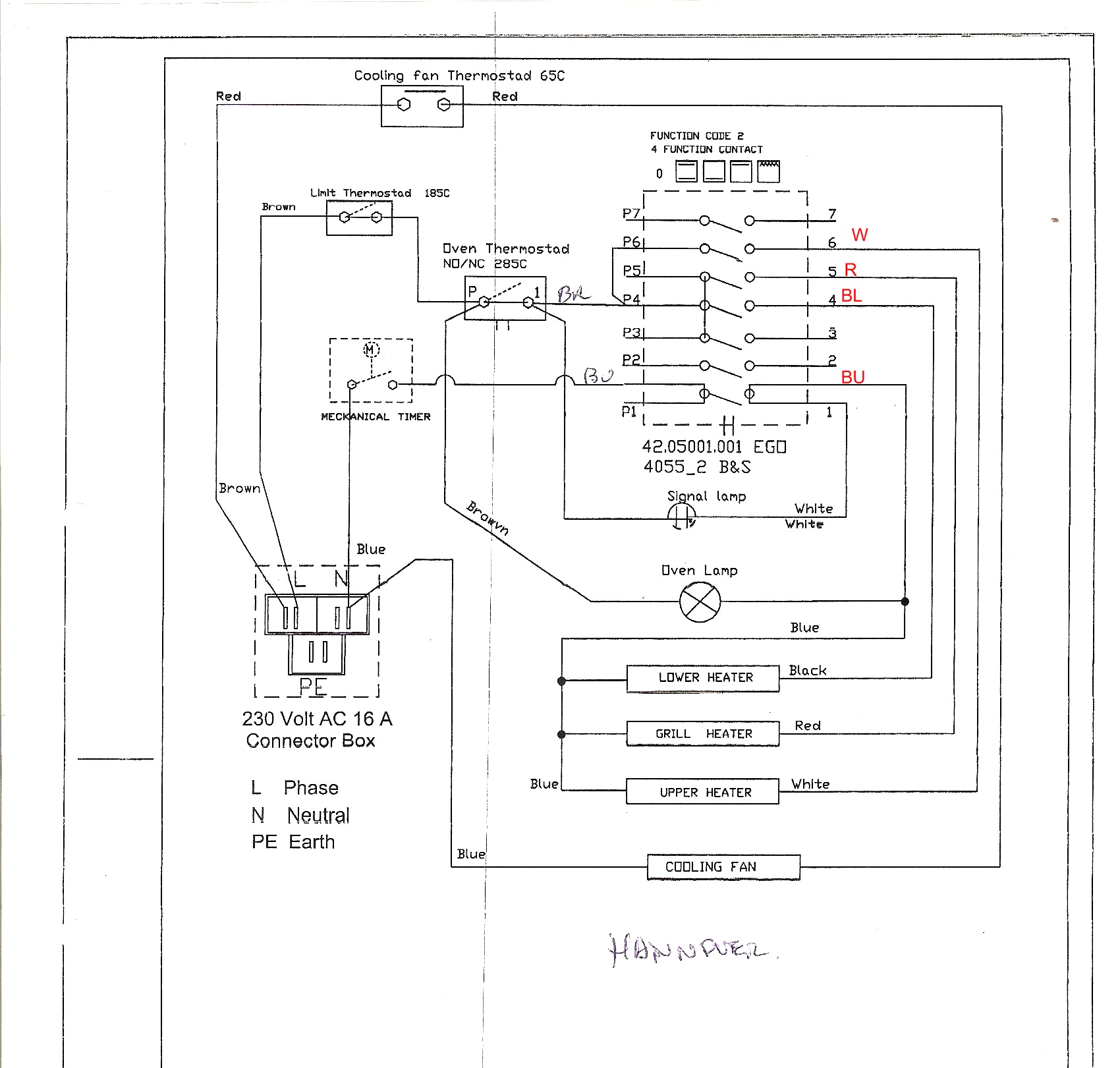
       Conecciones horno hannover largo.-                                                   Conecciones horno hannover corto.-

                 

 

    Conecciones termo Albin Trotter

 

 

                                    Conecciones Timer secadora Fensa

  

         

 

 

 

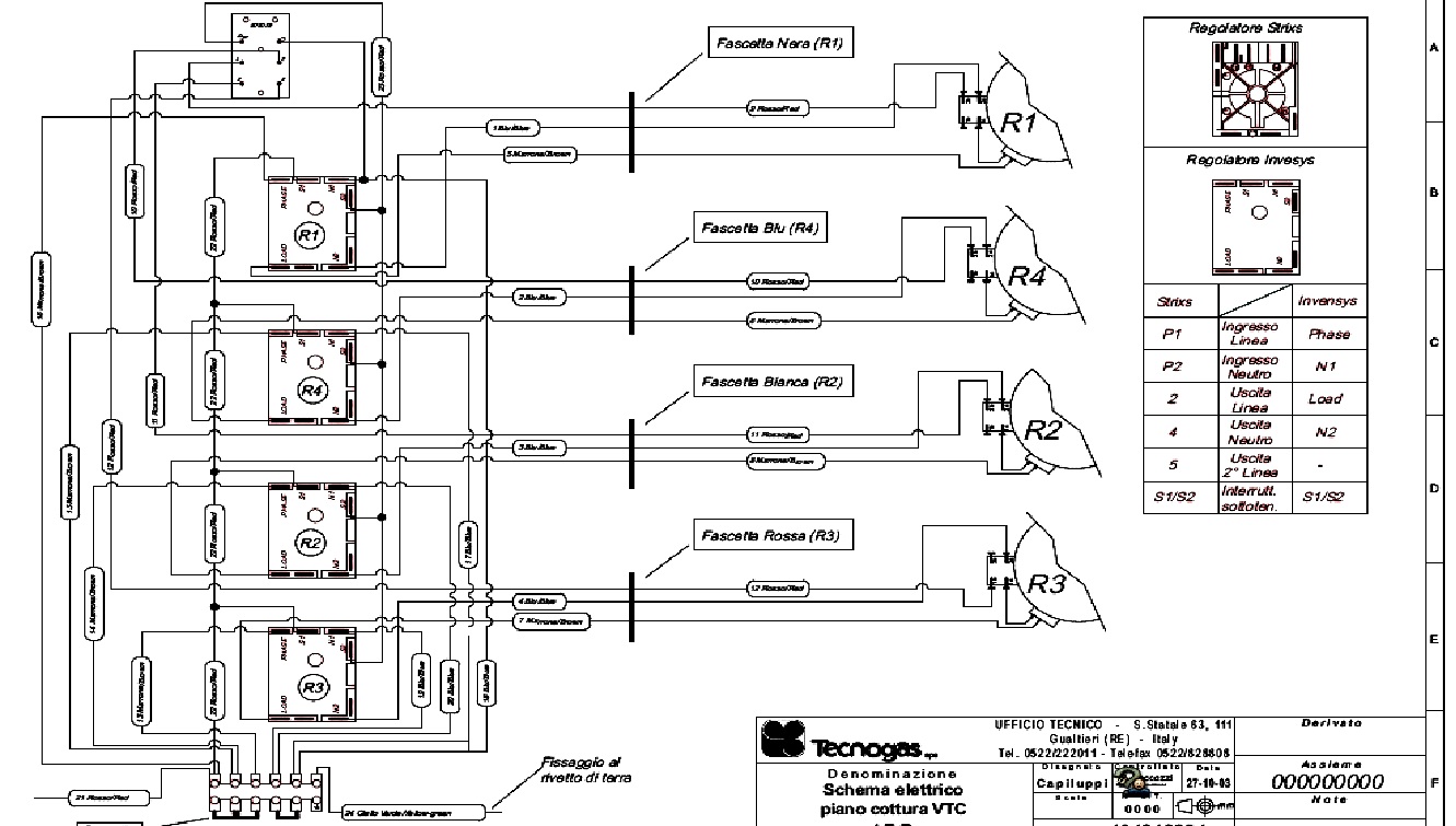
      Interruptor Tecnogas

 

 

Interruptor Stahl-convex

 

                                               Interruptor Spiegel blanco y negro

                 

                            

 

  

 

 Interruptor Stuttgard  Conecciones                                   

 

  

            Interruptor 12 pines 

     

     Interruptor Spiegel 7 golpes 

    

         

    

 

            

         

   Conecciones encimera Induktion 4 platos

  

 

 

Volver 

Y que hacemos con la chatarra ?

 

 

                                                                                                                             

  Volver